12 Volts Microlamp Circuit Diagram

12 Volts Microlamp Circuit Diagram. It uses a normal 120 to 6v stepdown transformer in reverse to step 12v to about 350v to drive a lamp without the need to warm the filaments. C6 is the output capacitor having 470uf 25v voltage.

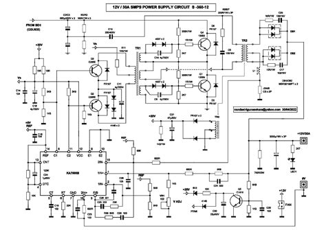
12V 2A SMPS Circuit AVR Freaks
12V 2A SMPS Circuit AVR Freaks from www.avrfreaks.net

Web a circuit diagram of 12v led light outlines the various components of a led light, including the power source, current regulator, resistor, capacitor, and the led itself. C6 is the output capacitor having 470uf 25v voltage. Meanwhile, it can serve for a few days as an emergency light circuit.

It Uses A Normal 120 To 6V Stepdown Transformer In Reverse To Step 12V To About 350V To Drive A Lamp Without The Need To Warm The Filaments.


It likewise gives an exceptionally. Web the first step in installing a 12 volt lighting system is to understand the components of the wiring diagram. Web a circuit diagram of 12v led light outlines the various components of a led light, including the power source, current regulator, resistor, capacitor, and the led itself.

Web A Circuit Diagram Of A 12V Led Light Is A Schematic That Illustrates The Different Components Of A 12 Volt Led Light.


Web this is a linear power supply so the lm7812 voltage regulator ic may get hot so uses a heat sink with it to protect it. It is actually very similar to most of the lm317 based power supply with some key difference. C6 is the output capacitor having 470uf 25v voltage.

Meanwhile, It Can Serve For A Few Days As An Emergency Light Circuit.


Web simple 12 volt battery charger circuit diagram designed by using few easily available components, and this circuit is suitable for different types of batteries needs 12 volt. Web the picture above is the circuit diagram of the power supply. The most common components are:

Web The Rc Snubber R3 And C5 Are Used For Protecting The Diode From High Transient Changes.


The input voltage must be between 12v to. The diagram is used to ensure that the. It shows how each component is connected.